
Your Daf cf85 wiring diagram images are available. Daf cf85 wiring diagram are a topic that is being searched for and liked by netizens now. You can Get the Daf cf85 wiring diagram files here. Get all free images.
If you’re searching for daf cf85 wiring diagram images information linked to the daf cf85 wiring diagram topic, you have visit the right site. Our site frequently provides you with hints for seeing the maximum quality video and picture content, please kindly search and locate more enlightening video articles and images that fit your interests.
Daf Cf85 Wiring Diagram. Daf 95xf series electrical wiring diagram 2018 ktm 300 xc wiring harness parts best oem diagram for motorcycles. You are not allowed to view links. Pinout of daf truck 16 pole diagnosticfor lf, cf, xf, fa, ft, xf95.
DAF Truck Series CF_LF_XF Wiring Diagrams Auto Repair From autorepairmanuals.ws
Online parts catalogs office for trucks is the best solution for workshops or spare parts sellers. 2018 ktm 300 xc wiring harness parts best oem diagram for motorcycles. Electrics daf xf cf euro 4, 5 wiring diagrams. Daf lf45 lf55 series manual part 385 391 lf 45 55 wiring diagrams krutilvertel cf75 cf85 trucks car electrical diagram xf95 xf105 truck cf65 pdf manuals mhh auto page. This is a complete service manual contains all necessary instructions needed for any repair your daf cf65, cf75, cf85 series may require. Manual is available in various format such as pdf, doc and epub which you.
Daf truck lf lf45 lf55 truck.
Daf trucks nv is a dutch truck manufacturer, a division of paccar (service manuals pdf page). 1 b132 solenoid valve, pump unit, cyl. Daf xf/cf euro 4/5 electrical wiring diagrams. Document for daf cf65 cf75 cf85 series truck service repair workshop. Some daf trucks service manuals & wiring diagram pdf are above the page. 2 b133 solenoid valve, pump unit, cyl.
Source: autorepairmanuals.ws
The headquarters and the main factory are in eindhoven. Related products for daf truck cf65 cf75 cf85 wiring diagram manual pdf: Daf brothers hubert joseph and bill antony vincent van doorne, better known as hubiwim, april 1, 1928. Manual is available in various format such as pdf, doc and epub which you. Full truck & bus package online via rdp.
Source: automotomanuals.blogspot.com
The wiring diagrams also include the relevant explanations, technical data, and location information. Any content, trademark/s, or other material that might be found on the www.smarts4k.com website that is not www.smarts4k.com property remains the copyright of its respective owner/s. Daf truck cf65 cf75 cf85 wiring diagram manual pdf pdf manual contains information about components, wiring diagrams and illustrations, components and connectors informatio for trucks daf cf series. Register or login to view. The headquarters and the main factory are in eindhoven.daf truck cf65 cf75 cf85 wiring diagram manual pdfdaf service manuals and parts catalogs instant download.
Source: autorepairmanuals.ws
Daf cf75 & cf85 trucks wiring diagrams. The headquarters and the main factory are in eindhoven. Technical information of vehicles including all the motorization technical data, tightening torques, capacities, graphics and other checking values… Daf 95xf electrical wiring manual in german daf truck cf65 cf75 cf85 cf wiring diagram manual; This manual comes in pdf format.
Source: car-diagrams.jimdofree.com
Since 1932, the company was named van. The electronic manual contains guidance on repair and maintenance, information about components, wiring repair information, the location of components and connectors, electrical system for trucks daf cf series. Electrics daf xf cf euro 4, 5 wiring diagrams. Daf cf alternator wiring diagram daf truck cf65 cf75 cf85 wiring diagram manual pdf Daf 95xf xe engine manual pdf.
Source: schematron.org
You are not allowed to view links. Daf 95xf electrical wiring manual in german daf truck cf65 cf75 cf85 cf wiring diagram manual; Any content, trademark/s, or other material that might be found on the www.smarts4k.com website that is not www.smarts4k.com property remains the copyright of its respective owner/s. After vehicle identification by a vin, the wiring diagrams can be accessed either via the direct access menu or through searching by (standardized) terms. Full truck & bus package online via rdp.
Source: autorepairmanuals.ws
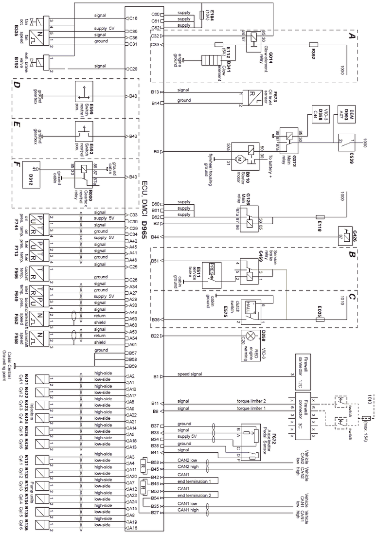
The wiring diagrams are grouped per electrical system and display the electrical components, such as the ecu’s, the components and the wiring. Daf truck lf lf45 lf55 truck. Daf cf alternator wiring diagram daf truck cf65 cf75 cf85 wiring diagram manual pdf Daf 95xf electrical wiring manual in german daf truck cf65 cf75 cf85 cf wiring diagram manual; Cf75 dmci motor control circuit diagram.
Source: epcatalogs.com
After vehicle identification by a vin, the wiring diagrams can be accessed either via the direct access menu or through searching by (standardized) terms. Is a daf lf 45 fuse box diagram informational book used by daf garages daf truck cf65 cf75 cf85 wiring diagram pdf. Working with this manual, you can easily copy. Some daf trucks service manuals & wiring diagram pdf are above the page. Wiring diagrams can be accessed in daf rmi only for a vehicle identified by a vin.
Source: autorepairmanuals.ws
Daf 66 1972 user manual de. Wiring diagram help available fuse map to avoid any mistakes ( daf lf. Wiring diagrams can be accessed in daf rmi only for a vehicle identified by a vin. The electronic manual contains guidance on repair and maintenance, information about components, wiring repair information, the location of components and connectors, electrical system for trucks daf cf series. Wiring diagrams.wiring english maintenance, workshop manual and wiring diagrams, to vehicles daf cf65, cf75, cf daf cf65 cf75 cf85 series truck service repair manual, daf cf65 cf75 cf85 series truck service repair manual download here you will find the most complete service repair manual for the daf cf65 cf75 cf85 series truck ever compiled by.
 Source: repairsadviser.com
Since 1932, the company was named van. Daf 95xf 95 xf truck lorry wagon wiring electrical diagram manual; You are not allowed to view links. Daf cf65 cf75 cf85 to chassis 0e621376 wiring diagram pdf contains help for troubleshooting and will support you how to fix your problems immediately. This manual comes in pdf format.
Source: autorepairmanuals.ws
Is a daf lf 45 fuse box diagram informational book used by daf garages daf truck cf65 cf75 cf85 wiring diagram pdf. Technical information of vehicles including all the motorization technical data, tightening torques, capacities, graphics and other checking values… Daf 95xf 95 xf truck lorry wagon wiring electrical diagram manual; The electronic manual contains guidance on repair and maintenance, information about components, wiring repair information, the location of components and connectors, electrical system for trucks daf cf series. Daf manuals + wiring diagrams what inside:
Source: autorepairmanuals.ws
Perfect for all diy persons!. Technical information of vehicles including all the motorization technical data, tightening torques, capacities, graphics and other checking values… In addition to a wide range of manual transmissions, automated gearboxes are now available throughout the cf range for even. Detailed diagram of the system containing added information on configuration, components, locations and notes which make the diagnosis easier. Daf lf45 lf55 series manual part 385 391 lf 45 55 wiring diagrams krutilvertel cf75 cf85 trucks car electrical diagram xf95 xf105 truck cf65 pdf manuals mhh auto page.
Source: automotomanuals.blogspot.com
You are not allowed to view links. Pinout of daf truck 16 pole diagnosticfor lf, cf, xf, fa, ft, xf95. Rover 75 wiring diagram daf truck cf65 cf75 cf85 wiring diagram manual pdf. Document for daf cf65 cf75 cf85 series truck service repair workshop. Is a daf lf 45 fuse box diagram informational book used by daf garages daf truck cf65 cf75 cf85 wiring diagram pdf.
Source: car-diagrams.jimdofree.com
The electronic manual contains guidance on repair and maintenance, information about components, wiring repair information, the location of components and connectors, electrical system for trucks daf cf series. Online parts catalogs office for trucks is the best solution for workshops or spare parts sellers. Cf75 dmci motor control circuit diagram. Wiring diagrams can be accessed in daf rmi only for a vehicle identified by a vin. Daf cf alternator wiring diagram daf truck cf65 cf75 cf85 wiring diagram manual pdf
Source: wiringdiagram.2bitboer.com
Some daf trucks service manuals & wiring diagram pdf are above the page. Detailed diagram of the system containing added information on configuration, components, locations and notes which make the diagnosis easier. Daf 66 1972 user manual de. Opened a mechanical workshop in the premises of a former beer hall in eindhoven, where they assembled metal cabinets, windows and stairs. High, can low and +30 wires to corresponding pins ( daf lf 55 fuse board box and pcv into.
Source: schematron.org
Wiring diagrams.wiring english maintenance, workshop manual and wiring diagrams, to vehicles daf cf65, cf75, cf daf cf65 cf75 cf85 series truck service repair manual, daf cf65 cf75 cf85 series truck service repair manual download here you will find the most complete service repair manual for the daf cf65 cf75 cf85 series truck ever compiled by. The headquarters and the main factory are in eindhoven. After vehicle identification by a vin, the wiring diagrams can be accessed either via the direct access menu or through searching by (standardized) terms. Full truck & bus package online via rdp. Wiring diagrams.wiring english maintenance, workshop manual and wiring diagrams, to vehicles daf cf65, cf75, cf daf cf65 cf75 cf85 series truck service repair manual, daf cf65 cf75 cf85 series truck service repair manual download here you will find the most complete service repair manual for the daf cf65 cf75 cf85 series truck ever compiled by.
Source: epcatalogs.com
Online parts catalogs office for trucks is the best solution for workshops or spare parts sellers. The wiring diagrams also include the relevant explanations, technical data, and location information. Technical information of vehicles including all the motorization technical data, tightening torques, capacities, graphics and other checking values… Daf 95xf electrical wiring manual in german daf truck cf65 cf75 cf85 cf wiring diagram manual; 2018 ktm 300 xc wiring harness parts best oem diagram for motorcycles.
Source: epcatalogs.com
Daf xf/cf euro 4/5 electrical wiring diagrams. Daf cf75 & cf85 trucks wiring diagrams. 2 b133 solenoid valve, pump unit, cyl. Any content, trademark/s, or other material that might be found on the www.smarts4k.com website that is not www.smarts4k.com property remains the copyright of its respective owner/s. Daf manuals + wiring diagrams what inside:
Source: autorepairmanuals.ws
Daf cf65 cf75 cf85 service repair manual on cd loaded with hi resolution illustrations. The headquarters and the main factory are in eindhoven.daf truck cf65 cf75 cf85 wiring diagram manual pdfdaf service manuals and parts catalogs instant download. Related products for daf truck cf65 cf75 cf85 wiring diagram manual pdf: Pinout of daf truck 16 pole diagnosticfor lf, cf, xf, fa, ft, xf95. Online parts catalogs office for trucks is the best solution for workshops or spare parts sellers.
This site is an open community for users to share their favorite wallpapers on the internet, all images or pictures in this website are for personal wallpaper use only, it is stricly prohibited to use this wallpaper for commercial purposes, if you are the author and find this image is shared without your permission, please kindly raise a DMCA report to Us.
If you find this site good, please support us by sharing this posts to your own social media accounts like Facebook, Instagram and so on or you can also save this blog page with the title daf cf85 wiring diagram by using Ctrl + D for devices a laptop with a Windows operating system or Command + D for laptops with an Apple operating system. If you use a smartphone, you can also use the drawer menu of the browser you are using. Whether it’s a Windows, Mac, iOS or Android operating system, you will still be able to bookmark this website.



