
Your C70 wiring diagram images are available. C70 wiring diagram are a topic that is being searched for and liked by netizens today. You can Download the C70 wiring diagram files here. Find and Download all free vectors.
If you’re searching for c70 wiring diagram images information linked to the c70 wiring diagram interest, you have pay a visit to the right site. Our site frequently provides you with hints for downloading the highest quality video and image content, please kindly hunt and locate more informative video content and graphics that match your interests.
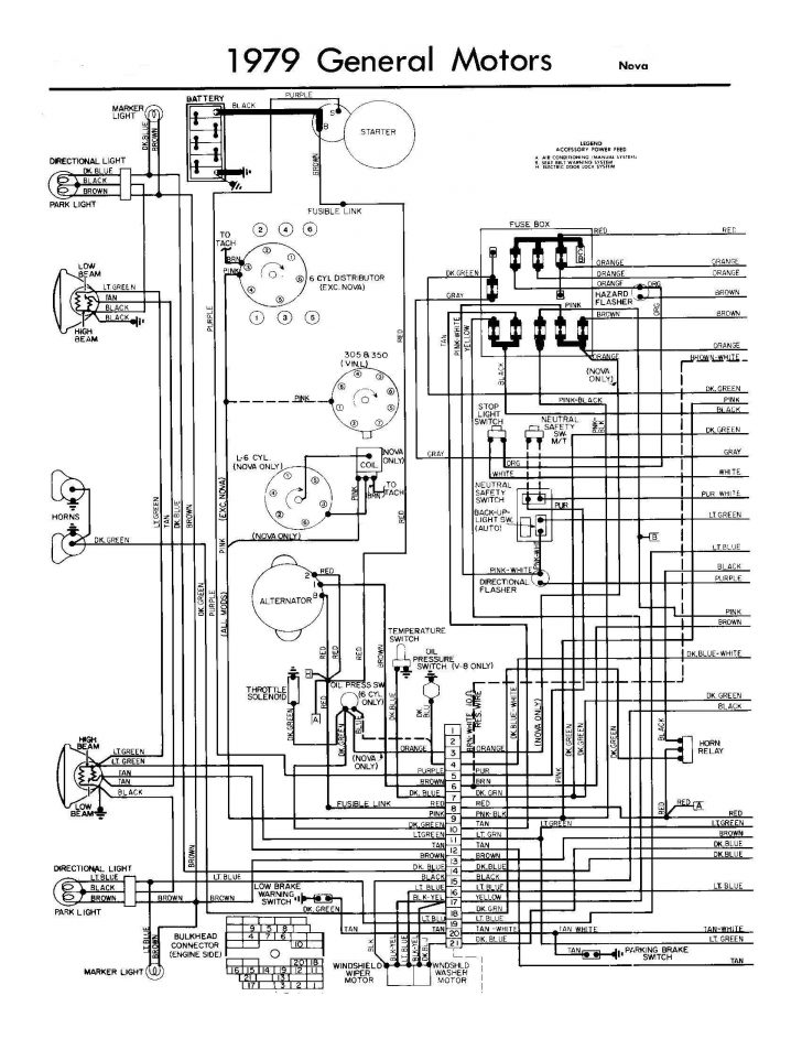
C70 Wiring Diagram. Volvo c70 complete workshop service repair manual 1998. The following picture shows the electrical wiring connection diagram for honda motorcycle c70 it shows the connection between honda parts such as the speedometer turn signal switch battery fuse stop switch selenium rectifier tail and stop light ignition switch ac ignition coil neutral switch ac generator horn resistance headlight beam selector. 2008 volvo c30 , s40 , v50 & c70 wiring diagram manual. Q q q q q q q.
Honda C70 Wiring Diagram Images Wiring Diagram From facybulka.me
1982/83 cdi version of passport: 2005 volvo s80 premier wiring diagram (tp 3979202).rar. Print the wiring diagram off plus use highlighters to trace the signal. 2008 volvo c30 , s40 , v50 & c70 wiring diagram manual. 40 2001 honda shadow spirit 750 wiring diagram download wiring diagram below we shall show you in order to twine a complete room. 1998 volvo c70 service & repair manual software.
1995 volvo 850 starter bosch wiring diagram.
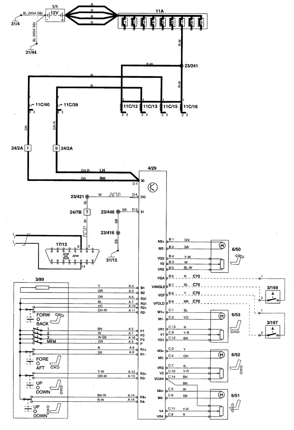
Cars with srs content 1:2, 2:2 abbreviations how to use the wiring diagram 1:2, 2:2 fusesr r r r. 2005 volvo s80 premier wiring diagram (tp 3979202).rar. Volvo wiring diagram c70, s70 transcript. With the tighten the nuts cotter pin, torque: 2008 volvo c30 , s40 , v50 & c70 wiring diagram manual. Volvo s40 04 v50 c70 06 wiring diagramclick here download free:
Source: carknowledge.info
Volvo 850 volvo 940 volvo 960 volvo 240 volvo s60 volvo s60r volvo s80 volvo s40 volvo v40 volvo s80 premier. 1995 volvo 850 starter bosch wiring diagram. The representations and colours used to illustrate the wires in a circuit really should fit the cable shades of the car. Volvo c70 complete workshop service repair manual 1998. Print the wiring diagram off plus use highlighters to trace the signal.
Source: jdiagram.acrept.fr
67 out of 100 based on 218 user ratings the honda c70 wiring diagram can be download for free. The following picture shows the electrical wiring connection diagram for honda motorcycle c70 it shows the connection between honda parts such as the speedometer turn signal switch battery fuse stop switch selenium rectifier tail and stop light ignition switch ac ignition coil neutral switch ac generator horn resistance headlight beam selector. Relays 1:2, 2:2 electrical distribution denso me7 1:2, 2:2 electrical distribution msa 15.8 1:2, 2:2 data communication 1:2, 2:2 rails. 1 trick that we 2 to printing a. Volvo wiring diagram c70, s70 transcript.
Source: wiring88.blogspot.com
2005 volvo s80 premier wiring diagram (tp 3979202).rar. 1991 thru 1994 ct70 wire diagram: 1 trick that we 2 to printing a. Honda c70 cdi wiring diagram wiring diagram is a simplified adequate pictorial representation of an electrical circuit it shows the components of the circuit as simplified shapes and the talent and signal associates amid the devices. When you make use of your finger or perhaps the actual circuit with your eyes, it is easy to mistrace the circuit.
Source: janaeleephotography.blogspot.com
Honda c70 cdi wiring diagram wiring diagram is a simplified adequate pictorial representation of an electrical circuit it shows the components of the circuit as simplified shapes and the talent and signal associates amid the devices. Honda c70 cdi wiring diagram wiring diagram is a simplified adequate pictorial representation of an electrical circuit it shows the components of the circuit as simplified shapes and the talent and signal associates amid the devices. 99 volvo c70 convertible 1999 owners manual. Tp 39129202 & tp 39139202 late design. 1999 2000 volvo c70 s70 v70 wiring diagrams service manual.
Source: 2020cadillac.com
C70 wiring diagram all three transformers are housed in glass topped extruded enclosures displaying the wiring diagram for each transformer turn other connected mcintosh components on and off. Volvo wiring diagram c70, s70 transcript. 2008 volvo c30 , s40 , v50 & c70 wiring diagram manual. 67 out of 100 based on 218 user ratings the honda c70 wiring diagram can be download for free. Wire diagram ct70k4 also k3/76?
Source: facybulka.me
Ignition wiring diagram 1981 honda c70 you are welcome to our site this is images about ignition wiring diagram 1981 honda c70 posted by alice ferreira in ignition category on may 11 2019. Honda c70 wiring diagram from i.pinimg.com. C70 drive chain inspection the off. Q q q q q q q. The on both an the caution:
Source: faceitsalon.com
Ignition wiring diagram 1981 honda c70 you are welcome to our site this is images about ignition wiring diagram 1981 honda c70 posted by alice ferreira in ignition category on may 11 2019. 1982/83 cdi version of passport: Click download to get the full free document, or view any other c70 pdf totally free. When you make use of your finger or perhaps the actual circuit with your eyes, it is easy to mistrace the circuit. Relays 1:2, 2:2 electrical distribution denso me7 1:2, 2:2 electrical distribution msa 15.8 1:2, 2:2 data communication 1:2, 2:2 rails.
Source: speedmyseo.blogspot.com
40 2001 honda shadow spirit 750 wiring diagram download wiring diagram below we shall show you in order to twine a complete room. Taking into account frustrating to remove, replace or repair the wiring in an automobile, having an accurate and detailed volvo c70 wiring diagram is critical to. 67 out of 100 based on 218 user ratings the honda c70 wiring diagram can be download for free. Volvo c70 electrical wiring diagram, electrical equipment, relay location, system circuits, ground point, power source, connector list, overall electrical wiring diagram, electrical troubleshooting. 99 volvo c70 convertible 1999 owners manual.
Source: cmelectronica.com.ar
Relays 1:2, 2:2 electrical distribution denso me7 1:2, 2:2 electrical distribution msa 15.8 1:2, 2:2 data communication 1:2, 2:2 rails. 1991 thru 1994 ct70 wire diagram: Q q q q q q q. 1 trick that we 2 to printing a similar wiring plan off twice. The on both an the caution:
Source: facybulka.me
When you make use of your finger or perhaps the actual circuit with your eyes, it is easy to mistrace the circuit. Ignition wiring diagram 1981 honda c70 you are welcome to our site this is images about ignition wiring diagram 1981 honda c70 posted by alice ferreira in ignition category on may 11 2019. 99 volvo c70 1999 owners manual. C70 drive chain inspection the off. Volvo wiring diagram c70, s70 transcript.
Source: glowworm007.blogspot.com
1999 2000 volvo c70 s70 v70 wiring diagrams service manual. Get your hands on the complete volvo factory workshop software. 40 2001 honda shadow spirit 750 wiring diagram download wiring diagram below we shall show you in order to twine a complete room. 2005 volvo s80 premier wiring diagram (tp 3979202).rar. 2008 volvo c30 , s40 , v50 & c70 wiring diagram manual.
Source: glowworm007.blogspot.com
1981 honda c70 passport parts catalog page 9 cam shaft valve parts list diagram no. That is the number for the 1998 volvo models s70, v70, c70 coupe wiring diagrams. 1999 2000 volvo c70 s70 v70 wiring diagrams service manual. 1991 thru 1994 ct70 wire diagram: 67 out of 100 based on 218 user ratings the honda c70 wiring diagram can be download for free.
Source: carknowledge.info
1 trick that we 2 to printing a similar wiring plan off twice. Nut pin 1980 motor co. Print the wiring diagram off plus use highlighters to trace the signal. 1999 2000 volvo c70 s70 v70 wiring diagrams service manual. Volvo s40 04 v50 c70 06 wiring diagramclick here download free:
 Source: unclejaystwistedfork.com
Q q q q q q q. Volvo wiring diagram c70, s70 transcript. Volvo 850 volvo 940 volvo 960 volvo 240 volvo s60 volvo s60r volvo s80 volvo s40 volvo v40 volvo s80 premier. Relays 1:2, 2:2 electrical distribution denso me7 1:2, 2:2 electrical distribution msa 15.8 1:2, 2:2 data communication 1:2, 2:2 rails. Volvo s40 04 v50 c70 06 wiring diagramclick here download free:
Source: carknowledge.info
Volvo c70 complete workshop service repair manual 1998. 1982/83 cdi version of passport: Wiring diagram honda c70 cdi print the wiring diagram off plus use highlighters to trace the signal. 2005 volvo s80 premier wiring diagram (tp 3979202).rar. Cars with srs content 1:2, 2:2 abbreviations how to use the wiring diagram 1:2, 2:2 fusesr r r r.
Source: carknowledge.info
Volvo c70 complete workshop service repair manual 1998. Drive chain chain up slack: 67 out of 100 based on 218 user ratings the honda c70 wiring diagram can be download for free. 1 trick that we 2 to printing a. 1981 honda c70 passport parts catalog page 9 cam shaft valve parts list diagram no.
Source: pinterest.com
99 volvo c70 convertible 1999 owners manual. /83 cdi version of passport wiring diagram k2 thru k6 ct90 · wiring. 1995 volvo 850 starter bosch wiring diagram. 1981 honda c70 passport parts catalog page 9 cam shaft valve parts list diagram no. Relays 1:2, 2:2 electrical distribution denso me7 1:2, 2:2 electrical distribution msa 15.8 1:2, 2:2 data communication 1:2, 2:2 rails.
Source: dcpotguide.mansionmultimedia.it
Volvo c70 electrical wiring diagram, electrical equipment, relay location, system circuits, ground point, power source, connector list, overall electrical wiring diagram, electrical troubleshooting. Honda c70 cdi wiring diagram wiring diagram is a simplified adequate pictorial representation of an electrical circuit it shows the components of the circuit as simplified shapes and the talent and signal associates amid the devices. 99 volvo c70 convertible 1999 owners manual. 1995 volvo 850 starter bosch wiring diagram. Click download to get the full free document, or view any other c70 pdf totally free.
This site is an open community for users to share their favorite wallpapers on the internet, all images or pictures in this website are for personal wallpaper use only, it is stricly prohibited to use this wallpaper for commercial purposes, if you are the author and find this image is shared without your permission, please kindly raise a DMCA report to Us.
If you find this site beneficial, please support us by sharing this posts to your favorite social media accounts like Facebook, Instagram and so on or you can also bookmark this blog page with the title c70 wiring diagram by using Ctrl + D for devices a laptop with a Windows operating system or Command + D for laptops with an Apple operating system. If you use a smartphone, you can also use the drawer menu of the browser you are using. Whether it’s a Windows, Mac, iOS or Android operating system, you will still be able to bookmark this website.





