
Your 2010 toyota corolla wiring diagram pdf images are available in this site. 2010 toyota corolla wiring diagram pdf are a topic that is being searched for and liked by netizens now. You can Find and Download the 2010 toyota corolla wiring diagram pdf files here. Get all free photos and vectors.
If you’re looking for 2010 toyota corolla wiring diagram pdf images information linked to the 2010 toyota corolla wiring diagram pdf topic, you have visit the ideal blog. Our website frequently provides you with hints for downloading the maximum quality video and picture content, please kindly surf and find more informative video content and images that match your interests.
2010 Toyota Corolla Wiring Diagram Pdf. Describe the meaning of the s/d in diagram component t. Toyota workshop manuals, toyota owners manuals, toyota wiring diagrams, toyota sales brochures and general miscellaneous toyota downloads. A restyled version of the fifth generation of the toyota 4runner the car presentation was held in april 2013 in california usa. Toyota corolla 2004 electrical wiring diagram download.
2009 2010 toyota corolla electrical wiring diagrams From slideshare.net
Describe the meaning of the g w in diagram component r. • do not pinch the rear wiring or harness in the tightened part. Toyota corolla / auris electrical wiring diagram (em04f1e) toyota corolla 2006 electrical wiring diagram. May 15, 2021 on 2014 corolla wiring diagram. Describe the meaning of the 2 in diagram component s. Toyota corolla 2004 electrical wiring diagram download.
Describe the meaning of the s/d in diagram component t.
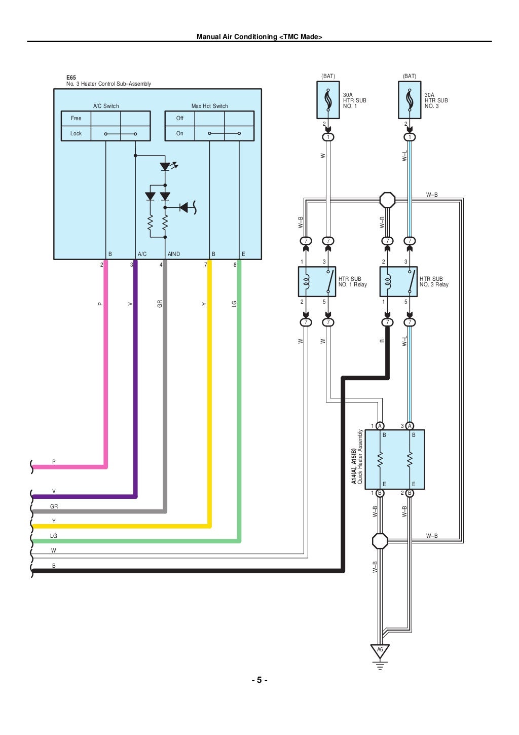
This ewd (electrical wiring diagrams) service manual is used in the inspection and repair of electrical circuits of the toyota corolla, model 2006. If the clock always shows 1200 check for an inoperative horn cigarette. A word about safe vehicle operations. These cars have the bulk of our pdf’s for this. The sections included in each volume are. All wiring diagrams for toyota corolla 2010 model cars transmission xrs system تنميق اقفز عادي 2001 stereo diagram whatbrettuses com ing gsic full package work manual mhh auto page 1 2009 electrical pdf doent 1991 txt repair circuit description fuel pump control sfi diagnostics land cruiser prado hilux car angle text wires cable.
Source: wiringschemas.blogspot.com
May 15, 2021 on 2014 corolla wiring diagram. As soon as aggravating to remove, replace or fix the wiring in an automobile, having an accurate and detailed 2010 toyota corolla. The toyota corolla 2010 electrical wiring diagrams pdf includes: Many people look for the wiring diagrams and the fuse information within these working manuals too in order to fix electrical problems that may have appeared. Toyota corolla 2010 electrical wiring diagrams pdf.
Source: slideshare.net
2004 toyota corolla electrical wiring diagram. If the clock always shows 1200 check for an inoperative horn cigarette. Suzuki swift wiring diagram diagrams throughout electrical wiring diagram motorcycle wiring diagram. Describe the meaning of the c13 in the diagram component q. Toyota corolla 2010 electrical wiring diagrams pdf.
Source: faxonautoliterature.com
Describe and identify the diagram component u. May 15, 2021 on 2014 corolla wiring diagram. 2009 2010 toyota corolla electrical wiring diagrams. A restyled version of the fifth generation of the toyota 4runner the car presentation was held in april 2013 in california usa. This separate and original electrical wiring manual contains wiring circuit diagrams of each electrical system, wiring harness and route diagrams, location of relays, etc.
Source: slideshare.net
Our toyota automotive repair manuals are split into five broad categories; The fuse box diagram for a 2003 toyota corolla ce is located on the rear of the box cover. The years available stretch from 2001 through to 2010 and to view the manual you just click the name. Our toyota automotive repair manuals are split into five broad categories; Toyota corolla / auris electrical wiring diagram (em04f1e) toyota corolla 2006 electrical wiring diagram.
Source: slideshare.net
Describe the meaning of the 2 in diagram component s. All wiring diagrams for toyota corolla le 2005 cars. The sections included in each volume are. So we attempted to obtain some terrific 2010 toyota corolla parts diagram. 2009 2010 toyota corolla electrical wiring diagrams.
Source: wimanual.com
All wiring diagrams for toyota corolla 2010 model cars transmission xrs system تنميق اقفز عادي 2001 stereo diagram whatbrettuses com ing gsic full package work manual mhh auto page 1 2009 electrical pdf doent 1991 txt repair circuit description fuel pump control sfi diagnostics land cruiser prado hilux car angle text wires cable. The fuse box diagram for a 2003 toyota corolla ce is located on the rear of the box cover. All wiring diagrams for toyota corolla 2010 model cars transmission xrs system تنميق اقفز عادي 2001 stereo diagram whatbrettuses com ing gsic full package work manual mhh auto page 1 2009 electrical pdf doent 1991 txt repair circuit description fuel pump control sfi diagnostics land cruiser prado hilux car angle text wires cable. Understanding toyota wiring diagrams worksheet #1 1. Toyota corolla / auris electrical wiring diagram (em04f1e) toyota corolla 2006 electrical wiring diagram.
Source: parts.germaintoyotaofnaples.com
Toyota car radio stereo audio wiring tacoma 2013 2019 navigation electrical diagrams prius 2003 2005 53810 86120 need help with 2014 jbl entune corolla 2006 2010 53818 head diagram for factory nav yaris pin 2012 rav4 parts 2001 celica unknown connector on oem unit 2016 world box ie bus hatch hilux sr 2015. 2004 toyota corolla electrical wiring diagram. These cars have the bulk of our pdf’s for this. 2009 2010 toyota corolla electrical wiring diagrams. The sections included in each volume are.
Source: toyotareleasenew.blogspot.com
Many people look for the wiring diagrams and the fuse information within these working manuals too in order to fix electrical problems that may have appeared. Toyota corolla 2004 electrical wiring diagram free pdf s. Toyota corolla 2014 aftermarket radio wiring harness by metra with oem plug. Describe the meaning of the c13 in the diagram component q. A restyled version of the fifth generation of the toyota 4runner the car presentation was held in april 2013 in california usa.
Source: autorepairmanuals.ws
The years available stretch from 2001 through to 2010 and to view the manual you just click the name. The fuse box diagram for a 2003 toyota corolla ce is located on the rear of the box cover. A word about safe vehicle operations. Many people look for the wiring diagrams and the fuse information within these working manuals too in order to fix electrical problems that may have appeared. A restyled version of the fifth generation of the toyota 4runner the car presentation was held in april 2013 in california usa.
Source: slideshare.net
By vallery masson on may 15, 2021. The fuse box diagram for a 2003 toyota corolla ce is located on the rear of the box cover. The sections included in each volume are. Understanding toyota wiring diagrams worksheet #1 1. All wiring diagrams for toyota corolla 2010 model cars transmission xrs system تنميق اقفز عادي 2001 stereo diagram whatbrettuses com ing gsic full package work manual mhh auto page 1 2009 electrical pdf doent 1991 txt repair circuit description fuel pump control sfi diagnostics land cruiser prado hilux car angle text wires cable.
Source: servicemanuals.online
Truly, we have been noticed that 2010 toyota corolla parts diagram is being one of the most popular issue at this time. This ewd (electrical wiring diagrams) service manual is used in the inspection and repair of electrical circuits of the toyota corolla, model 2006. Toyota corolla 1996 wiring diagram overall download. Understanding toyota wiring diagrams worksheet 1 1. This is volume 1 of the 2010 corolla manual.
Source: wiringdiagramall.blogspot.com
All wiring diagrams for toyota corolla le 2005 cars. If the clock always shows 1200 check for an inoperative horn cigarette. It is the same manual that your local toyota. Toyota corolla auris electrical wiring diagram em04f1e toyota corolla 2006 electrical wiring diagram. Suzuki swift wiring diagram diagrams throughout electrical wiring diagram motorcycle wiring diagram.
Source: procarmanuals.com
There are four volumes to this manual. Toyota corolla ce silver t tak auto service. The fuse box diagram for a 2003 toyota corolla ce is located on the rear of the box cover. If the clock always shows 1200 check for an inoperative horn cigarette. 2004 toyota corolla electrical wiring diagram.
Source: slideshare.net
Toyota corolla 2004 electrical wiring diagram download. • when passing the wires through the bulkhead or other panels, use a grommet to ensure waterproofing. Understanding toyota wiring diagrams worksheet 1 1. Understanding toyota wiring diagrams worksheet 1 1. Toyota corolla 1996 wiring diagram overall download.
Source: autorepairmanuals.ws
Brian scaddan, i eng, miet, is a consultant for and an honorary member of city & guilds. The fuse box diagram for a 2003 toyota corolla ce is located on the rear of the box cover. As soon as aggravating to remove, replace or fix the wiring in an automobile, having an accurate and detailed 2010 toyota corolla. May 15, 2021 on 2014 corolla wiring diagram. Our toyota automotive repair manuals are split into five broad categories;
Source: autowiringdiagram.blogspot.com
There are four volumes to this manual. John deere model 48c mower deck 48 inch deck parts fits john deere tractor models x710 x730 x734 x738 x739 x750 x754 x758. Toyota corolla 2004 electrical wiring diagram free pdf s. Describe the meaning of the s/d in diagram component t. Toyota corolla 2014 aftermarket radio wiring harness by metra with oem plug.
Source: autorepairmanuals.ws
You can find 6 different repair/service/workshop manuals for the toyota corolla on this page that are in the pdf format, totally free of charge. If the clock always shows 1200 check for an inoperative horn cigarette. 2010 toyota rav4 radio wiring diagram. Toyota car radio stereo audio wiring tacoma 2013 2019 navigation electrical diagrams prius 2003 2005 53810 86120 need help with 2014 jbl entune corolla 2006 2010 53818 head diagram for factory nav yaris pin 2012 rav4 parts 2001 celica unknown connector on oem unit 2016 world box ie bus hatch hilux sr 2015. Suzuki swift wiring diagram diagrams throughout electrical wiring diagram motorcycle wiring diagram.
Source: sitzone.blogspot.com
So we attempted to obtain some terrific 2010 toyota corolla parts diagram. Understanding toyota wiring diagrams worksheet 1 1. As soon as aggravating to remove, replace or fix the wiring in an automobile, having an accurate and detailed 2010 toyota corolla. This ewd (electrical wiring diagrams) service manual is used in the inspection and repair of electrical circuits of the toyota corolla, model 2006. This is volume 1 of the 2010 corolla manual.
This site is an open community for users to submit their favorite wallpapers on the internet, all images or pictures in this website are for personal wallpaper use only, it is stricly prohibited to use this wallpaper for commercial purposes, if you are the author and find this image is shared without your permission, please kindly raise a DMCA report to Us.
If you find this site beneficial, please support us by sharing this posts to your own social media accounts like Facebook, Instagram and so on or you can also bookmark this blog page with the title 2010 toyota corolla wiring diagram pdf by using Ctrl + D for devices a laptop with a Windows operating system or Command + D for laptops with an Apple operating system. If you use a smartphone, you can also use the drawer menu of the browser you are using. Whether it’s a Windows, Mac, iOS or Android operating system, you will still be able to bookmark this website.





