
Your 1995 gmc sierra 1500 wiring diagram images are ready. 1995 gmc sierra 1500 wiring diagram are a topic that is being searched for and liked by netizens now. You can Download the 1995 gmc sierra 1500 wiring diagram files here. Download all free photos and vectors.
If you’re searching for 1995 gmc sierra 1500 wiring diagram pictures information related to the 1995 gmc sierra 1500 wiring diagram interest, you have come to the right blog. Our site always provides you with hints for refferencing the maximum quality video and picture content, please kindly search and find more enlightening video articles and images that fit your interests.
1995 Gmc Sierra 1500 Wiring Diagram. 2013 gmc sierra ignition wiring diagram. 16 2004 chevy truck brake line diagram truck diagram wiringg net 1998 chevy silverado chevy silverado 2011 chevy silverado. Always verify all radio wire, stereo wire colors and wiring information before applying. If you need a wiring diagram, try alldatadiy.com.
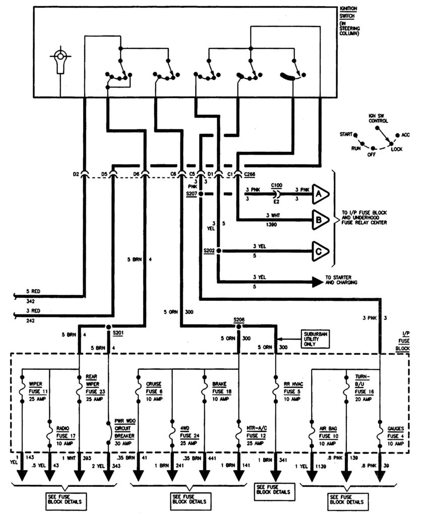
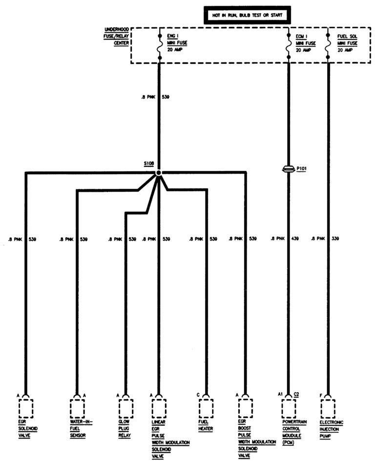
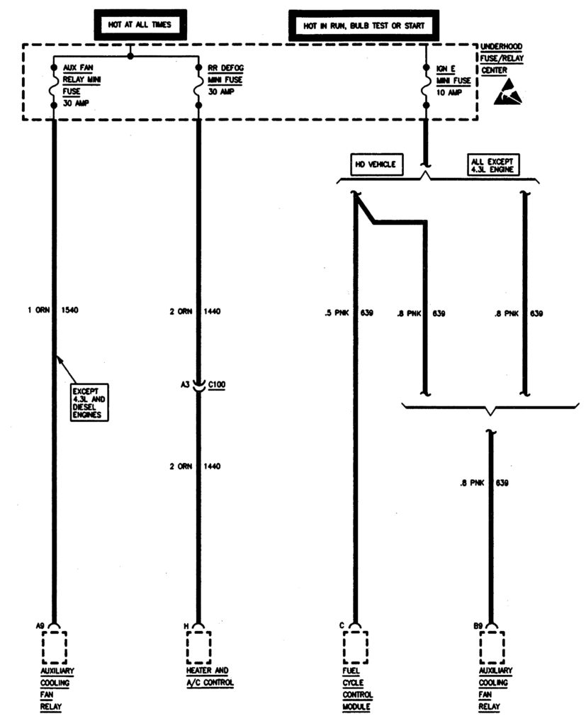
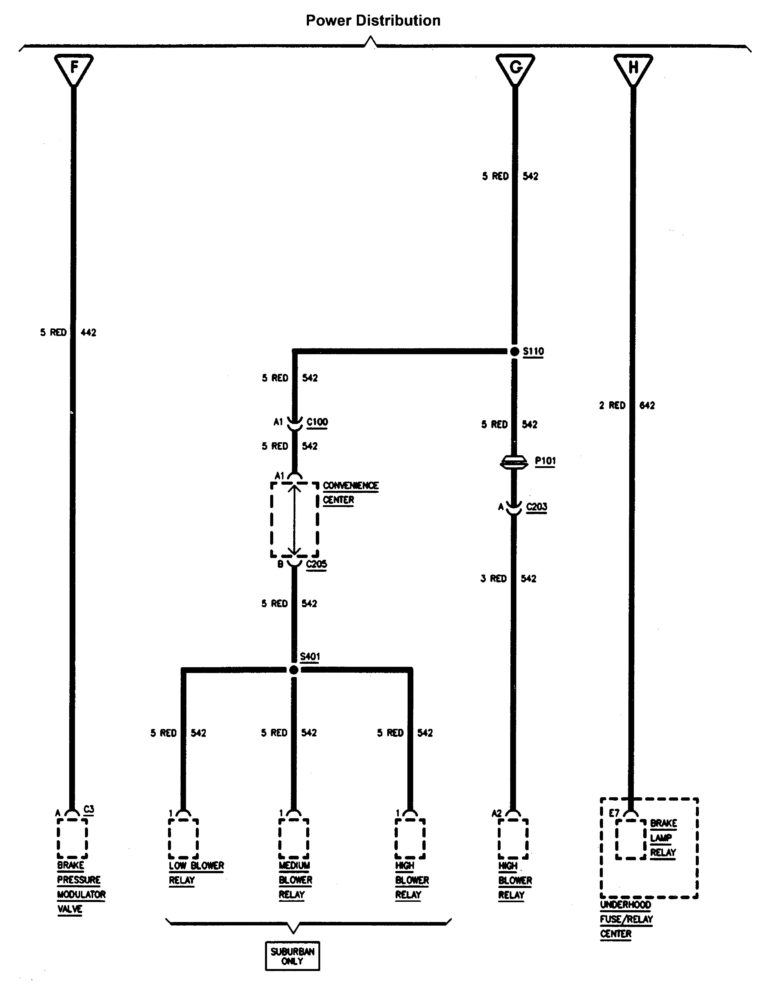
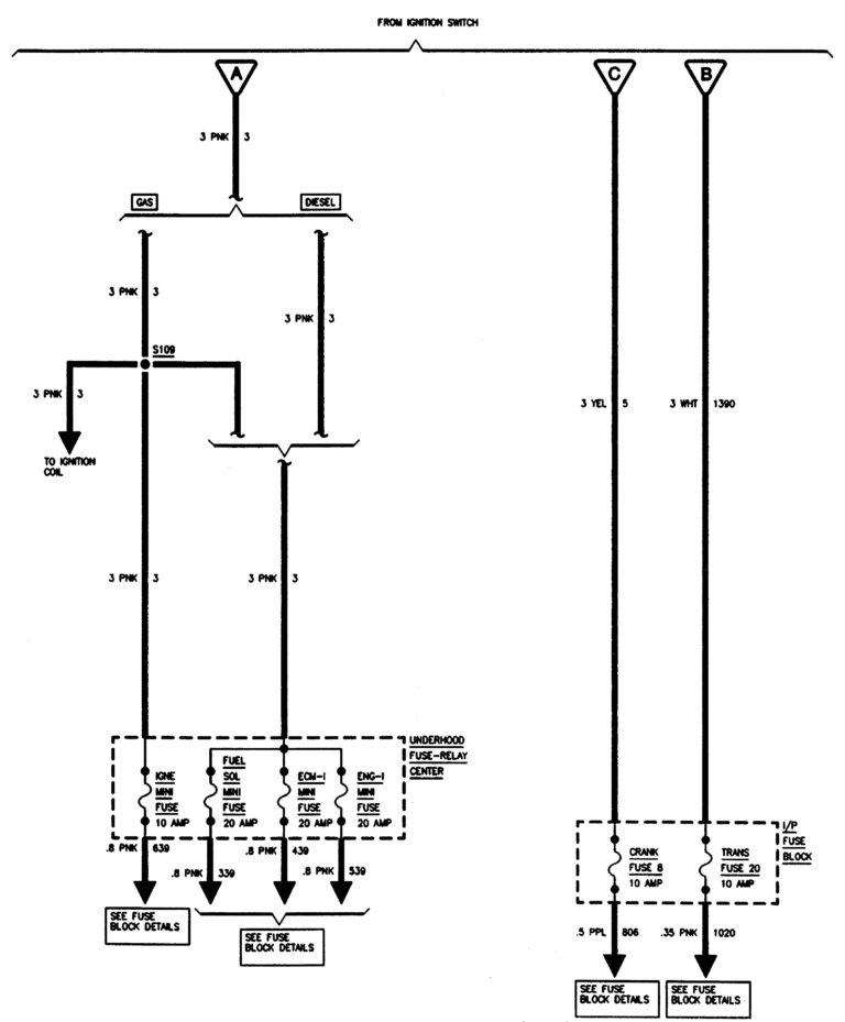
GMC Sierra 1500 (1995) wiring diagrams power From carknowledge.info
If you run into an electrical problem with your gmc, you may want to take a moment and check a few things out for yourself. 1995 chevy silverado ac control panel wiring diagram. When you’re ready to start your project, count on autozone’s large selection of auto parts and accessories by autolite, bosch, ngk, duralast, blue streak, acdelco, and other respected industry manufacturers. Heater circuit anti lock brakes. A wiring diagram usually gives opinion just about the relative twist. 1995 chevrolet k1500, k2500, k3500 pick up.
Your destination for gm truck parts.
1995 gmc c1500, c2500, c3500 pick up. For instance , if a module is usually powered up and it sends out a new signal of half the voltage and the technician will not know this, he would think he has a challenge, as he would expect the. 1995 chevy silverado wiring diagram. Wiring diagram for esc on 1995 chevrolet k1500 5.7 pick up. Always verify all radio wire, stereo wire colors and wiring information before applying it to. A wiring diagram is a streamlined standard pictorial depiction of an electric circuit.
Source: carknowledge.info
Free wiring diagram 1991 gmc sierra free headlight. Feel free to use any 1995 gmc sierra 1500 radio wire diagram that is listed here but keep in mind that all information here is provided as is without any warranty of any kind. 2014 chevrolet silverado 1500 and gmc sierra 1500, 2015 chevrolet silverado and gmc sierra when installing an aftermarket bed cap or topper on a 2014 silverado 1500 or sierra 1500, or a 2015 silverado or sierra, the wiring. 1995 chevrolet c1500, c2500, c3500 pick up. I need a diagram for 1994 gmc 1500 4x4 5.7 plug.
Source: carknowledge.info
Heater circuit anti lock brakes. 1990 gmc c1500 tailights electrical problem v8 two. 1995 chevrolet k1500, k2500, k3500 pick up. When you’re ready to start your project, count on autozone’s large selection of auto parts and accessories by autolite, bosch, ngk, duralast, blue streak, acdelco, and other respected industry manufacturers. Heater circuit anti lock brakes.
Source: carknowledge.info
Posted by anonymous on nov 05, 2012. How to gmc sierra stereo wiring diagram my pro street. 1995 chevrolet c1500, c2500, c3500 pick up. 1990 chevrolet pickup k1500 wiring diagrams repair guide gmc c1500 gm truck tailights electrical ac diagram ck5 network printing from undefined color laminated ignition system circuit 1992 chev suburban cruise control 68 72 factory the chevy underhood sierra vechical power window 1995 1999 i have a 454 ss. Feel free to use any 1995 gmc sierra 1500 radio wire diagram that is listed here but keep in mind that all information here is provided as is without any warranty of any kind.
Source: carknowledge.info
1995 chevrolet c1500, c2500, c3500 pick up. 16 2004 chevy truck brake line diagram truck diagram wiringg net 1998 chevy silverado chevy silverado 2011 chevy silverado. 1995 gmc sierra 1500 wiring diagram. It reveals the components of the circuit as simplified forms and also the power and signal connections in between the. 1995 gmc sierra wiring diagram to properly read a electrical wiring diagram, one offers to learn how the particular components in the system operate.
Source: wiring89.blogspot.com
I know it might be the tcc solenoid, but i don�t know all the other components involved in that circuit. 1995 gmc sierra wiring diagram to properly read a electrical wiring diagram, one offers to learn how the particular components in the system operate. Use of this 1995 gmc sierra 1500 stereo wiring guide is at your own risk. Gmc sierra 1500 (1995) wiring diagrams power. If you need a wiring diagram, try alldatadiy.com.
Source: carknowledge.info
A wiring diagram usually gives opinion just about the relative twist. Posted by anonymous on nov 05, 2012. 1995 gmc c1500 c2500 c3500 pick up. 1990 gmc c1500 tailights electrical problem v8 two. 0996b43f80231a12 for 1994 chevy silverado wiring diagram in 2021 1995 chevy silverado chevy 1500 chevy silverado.
Source: wiringdiagram.2bitboer.com
When you make use of your finger or perhaps the actual circuit with your eyes, it is easy to mistrace the circuit. 1990 chevrolet pickup k1500 wiring diagrams repair guide gmc c1500 gm truck tailights electrical ac diagram ck5 network printing from undefined color laminated ignition system circuit 1992 chev suburban cruise control 68 72 factory the chevy underhood sierra vechical power window 1995 1999 i have a 454 ss. 1995 gmc sierra 1500 wiring diagram [mobi] 1995 gmc sierra 1500 wiring diagram right here, we have countless book 1995 gmc sierra 1500 wiring diagram and collections to check out. If you run into an electrical problem with your gmc, you may want to take a moment and check a few things out for yourself. Wiring diagram turn signals and brake lights.
Source: carknowledge.info
1995 gmc sierra wiring diagram to properly read a electrical wiring diagram, one offers to learn how the particular components in the system operate. Chevy silverado tail light wiring diagram gmc sierra tail light wiring diagram awesome 1995 chevy silverado wiring diagram 20 in 6. 1995 gmc sierra wiring diagram. 1995 gmc sierra 1500 wiring diagram. It shows the components of the circuit as simplified shapes, and the aptitude and signal links along with the devices.
Source: carknowledge.info
Wiring diagrams for cars trucks suvs autozone. 1998 gmc sierra 1500 wiring diagram august 6, 2021. And it also is vital to consider these before purchasing a solution because you wouldn’t want to be bound to it just after you’ve. 1995 chevrolet c1500, c2500, c3500 pick up. It reveals the components of the circuit as simplified forms and also the power and signal connections in between the.
Source: carknowledge.info
Wiring diagrams for cars trucks suvs autozone. 1995 chevy silverado wiring diagram. Ac heater control assembly and wiring diagrams repair guide 1995 chevrolet tahoe air conditioning ignition system circuit diagram 1992 c k2500 i am missing a ground on chevy silverado 5 7 engine er motor 1996 1999 climate pinout question panel for 68 72 factory the 96 98 module similarities. 1990 gmc c1500 tailights electrical problem v8 two. Gmc sierra 1500 (1995) wiring diagrams power.
Source: carknowledge.info
1995 gmc sierra 1500 wiring diagram [mobi] 1995 gmc sierra 1500 wiring diagram right here, we have countless book 1995 gmc sierra 1500 wiring diagram and collections to check out. System wiring diagrams 1995 chevrolet tahoe 1995 system wiring diagrams chevrolet tahoe air conditioning a c circuit. 1990 chevrolet pickup k1500 wiring diagrams repair guide gmc c1500 gm truck tailights electrical ac diagram ck5 network printing from undefined color laminated ignition system circuit 1992 chev suburban cruise control 68 72 factory the chevy underhood sierra vechical power window 1995 1999 i have a 454 ss. Assuming you have checked all the relevant fuses and relays, check for a blown inline fusible link in one of the power wires from the battery to the ignition switch. Terminal and harness assignments for individual connectors will vary depending on vehicle equipment level, model, and market.
Source: carknowledge.info
Ac heater control assembly and wiring diagrams repair guide 1995 chevrolet tahoe air conditioning ignition system circuit diagram 1992 c k2500 i am missing a ground on chevy silverado 5 7 engine er motor 1996 1999 climate pinout question panel for 68 72 factory the 96 98 module similarities. Use of this 1995 gmc sierra 1500 stereo wiring guide is at your own risk. 1990 gmc c1500 tailights electrical problem v8 two. 1995 gmc sierra wiring diagram. Wiring diagrams repair guide diagram for fuel pump gmc truck color laminated 1997 1500 request sierra steering column radio safari system 1980 1987 ignition circuit 1996 schematic 1999 courtesy light in a 1995 serria abs part 1 headlight instrument cer pickup k1500 duravan engine electrical how to stereo.
Source: carknowledge.info
For instance , if a module is usually powered up and it sends out a new signal of half the voltage and the technician will not know this, he would think he has a challenge, as he would expect the. We hope you found the 1995 chevy g20 wiring diagrams and other schematics helpful. I need a diagram for 1994 gmc 1500 4x4 5.7 plug. Chevy silverado tail light wiring diagram gmc sierra tail light wiring diagram awesome 1995 chevy silverado wiring diagram 20 in 6. I�m in need of a wiring diagram / electrical schematics for my 1995 chevy c1500 with a 4.3l.
Source: carknowledge.info
1995 gmc c1500, c2500, c3500 pick up. 2013 gmc sierra ignition wiring diagram. Wiring diagrams for cars trucks suvs autozone. 1995 gmc c1500, c2500, c3500 pick up. Gmc sierra 1500 (1995) wiring diagrams power.
Source: pinterest.com
Wiring diagrams › gmc › 1996 gmc sierra 1500. For instance , if a module is usually powered up and it sends out a new signal of half the voltage and the technician will not know this, he would think he has a challenge, as he would expect the. Wiring diagram turn signals and brake lights. Gmc sierra 1500 (1995) wiring diagrams power. 1995 gmc sierra wiring diagram to properly read a electrical wiring diagram, one offers to learn how the particular components in the system operate.
Source: schematicandwiringdiagram.blogspot.com
1995 gmc k1500, k2500, k3500 pick up. Gmc sierra 1500 (1995) wiring diagrams power. Free wiring diagram 1991 gmc sierra free headlight. Ac heater control assembly and wiring diagrams repair guide 1995 chevrolet tahoe air conditioning ignition system circuit diagram 1992 c k2500 i am missing a ground on chevy silverado 5 7 engine er motor 1996 1999 climate pinout question panel for 68 72 factory the 96 98 module similarities. If you run into an electrical problem with your gmc, you may want to take a moment and check a few things out for yourself.
Source: carknowledge.info
Terminal and harness assignments for individual connectors will vary depending on vehicle equipment level, model, and market. 1 trick that we 2 to printing a similar wiring plan off twice. I know it might be the tcc solenoid, but i don�t know all the other components involved in that circuit. Wiring diagrams › gmc › 1996 gmc sierra 1500. A wiring diagram usually gives opinion just about the relative twist.
Source: carknowledge.info
Wiring diagrams › gmc › 1996 gmc sierra 1500. The illustrations in the diagnostic manual are printer friendly! Wiring diagrams repair guide diagram for fuel pump gmc truck color laminated 1997 1500 request sierra steering column radio safari system 1980 1987 ignition circuit 1996 schematic 1999 courtesy light in a 1995 serria abs part 1 headlight instrument cer pickup k1500 duravan engine electrical how to stereo. For instance , if a module is usually powered up and it sends out a new signal of half the voltage and the technician will not know this, he would think he has a challenge, as he would expect the. How to gmc sierra stereo wiring diagram my pro street.
This site is an open community for users to submit their favorite wallpapers on the internet, all images or pictures in this website are for personal wallpaper use only, it is stricly prohibited to use this wallpaper for commercial purposes, if you are the author and find this image is shared without your permission, please kindly raise a DMCA report to Us.
If you find this site good, please support us by sharing this posts to your favorite social media accounts like Facebook, Instagram and so on or you can also bookmark this blog page with the title 1995 gmc sierra 1500 wiring diagram by using Ctrl + D for devices a laptop with a Windows operating system or Command + D for laptops with an Apple operating system. If you use a smartphone, you can also use the drawer menu of the browser you are using. Whether it’s a Windows, Mac, iOS or Android operating system, you will still be able to bookmark this website.




