
Your 04 chevy tahoe radio wiring diagram images are ready. 04 chevy tahoe radio wiring diagram are a topic that is being searched for and liked by netizens today. You can Download the 04 chevy tahoe radio wiring diagram files here. Download all free photos and vectors.
If you’re searching for 04 chevy tahoe radio wiring diagram images information linked to the 04 chevy tahoe radio wiring diagram keyword, you have visit the ideal site. Our site always gives you suggestions for downloading the maximum quality video and picture content, please kindly search and locate more informative video articles and graphics that fit your interests.
04 Chevy Tahoe Radio Wiring Diagram. Chevrolet tahoe car radio audio stereo wiring diagram colors july 9, caraudiowiringdiagram 9 comments here is the stereo radio wiring information for your chevrolet tahoe with the standard, premium, symphony, or bose systems. Car stereo antenna trigger wire: Label it or splice to constant wire on aftermarket stereo first. Silverado 2016 automobile pdf manual download.
Chevy Tahoe Wiring Diagram / Where Can I Find A Wiring From schematica71.blogspot.com
Here is a picture gallery about 2004 chevrolet tahoe wiring diagram complete with the description of the image, please find the image you need. At the car stereo harness (connector end view) ask a question. Stereo install dash kit chevy tahoe 03 04 05 (car radio wiring installation p. Chevrolet auto radio wiring diagrams install car radio. Gmc sierra bose stereo wiring diagram. Car radio accessory switched 12v+ wire:
2006 chevy silverado radio wiring diagram 2006 chevy.
Mp4 fuse box location and diagrams. 2003 gm bus wiring communication diagram chevy tahoe A relatively new option has been to install an ipad in dash or center console. 2006 chevy silverado radio wiring diagram 2006 chevy. Locate the +12 volt constant wire first. Don�t see anything on the chevy wiring diagram that has that listed on the oem stereo wiring harness.
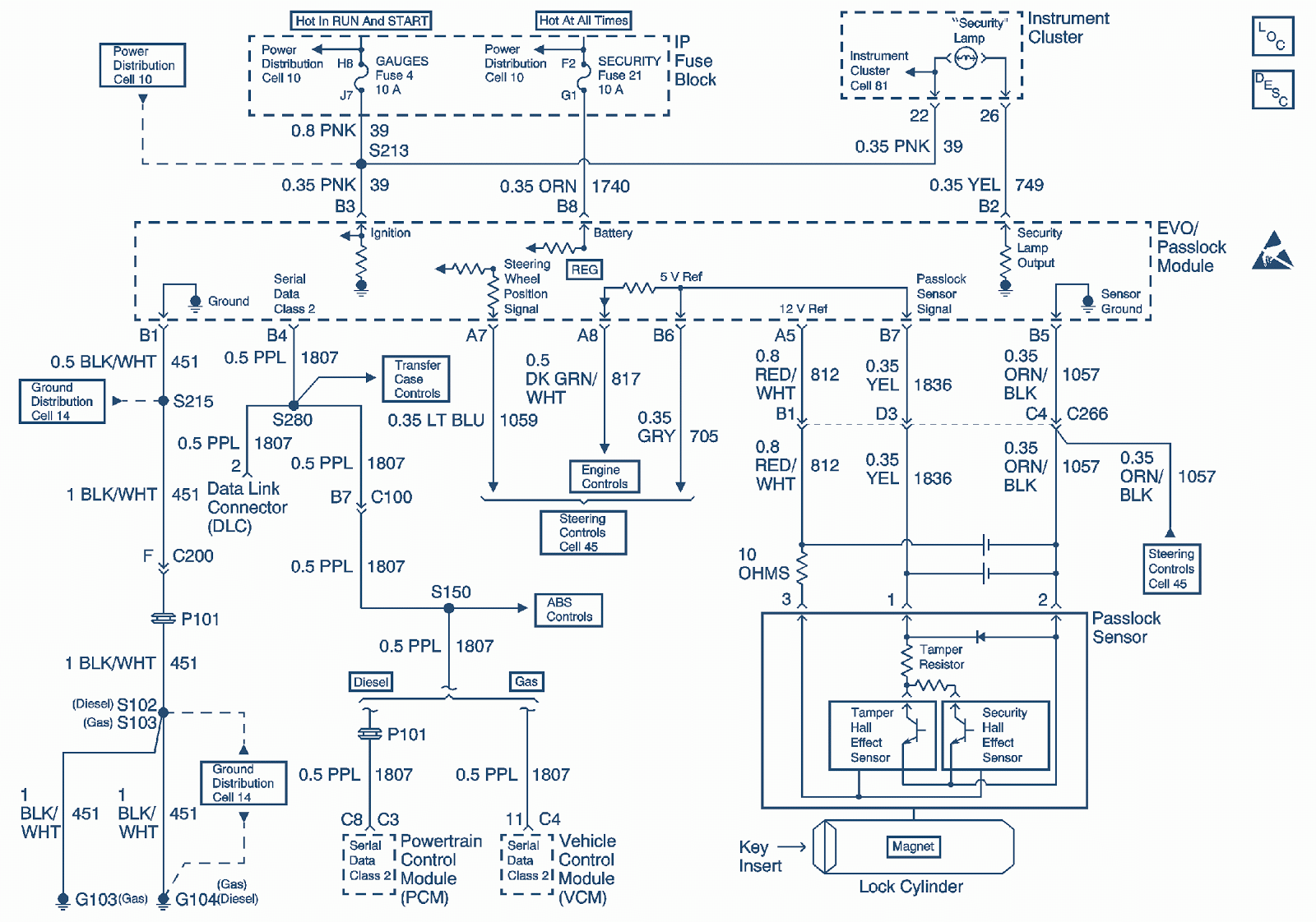
Source: skippingtheinbetween.blogspot.com
Stereo install dash kit chevy tahoe 03 04 05 (car radio wiring installation p. Mp4 fuse box location and diagrams. Fuses usage rr wiper rear window wiper switch seo accy special equipment option accessory ws wpr windshield wipers tbc accy truck body controller accessory ign 3. These instructions will probably be easy to comprehend and apply. Whether your an expert chevrolet tahoe mobile electronics installer, chevrolet tahoe fanatic, or a novice chevrolet tahoe enthusiast with a 2003 chevrolet tahoe, a car stereo wiring diagram can save yourself a lot of time.
Source: hanenhuusholli.blogspot.com
One of the most time consuming tasks with installing a car stereo, car radio, car speakers, car amplifier, car navigation or any mobile electronics is identifying the correct wires for a […] Mp4 fuse box location and diagrams. 2009 chevrolet tahoe stereo wiring diagram car radio battery constant 12v+ wire: Red/white car radio accessory switched 12v+ wire: Car stereo amp trigger wire:
Source: ricardolevinsmorales.com
16 2004 chevy truck brake line diagram truck diagram wiringg net 1998 chevy silverado chevy silverado 2011 chevy silverado. Silverado 2016 automobile pdf manual download. Car stereo antenna trigger wire: Label it or splice to constant wire on aftermarket stereo first. Chevrolet cobalt 2005 radio c1 apr 04 2011 1995 full size chevy pu is on the right side top of the framerail even with where the pass door would line up.
Source: justanswer.com
2007 chevy tahoe radio wiring diagram wiring diagram is a simplified suitable pictorial representation of an electrical circuit. Here is a picture gallery about 2004 chevrolet tahoe wiring diagram complete with the description of the image, please find the image you need. Wiring diagram 2003 chevy trailblazer wire diagram 2009 09 08 pertaining to 08 silverado tail light wiring diagram image source. Diagrams for the following systems are included. How to install car radio autoradio wiring harness stereo installation.
Source: 2020cadillac.com
Each component ought to be set and connected with different parts in particular way. 30 elegant 2004 chevy tahoe radio wiring diagram chevy tahoe chevy chevy avalanche. Red/white car radio accessory switched 12v+ wire: Whether your an expert installer or a novice enthusiast with a 2004 chevrolet tahoe, an automotive wiring diagram can save yourself time and headaches. Car stereo amp trigger wire:
Source: annawiringdiagram.com
One of the most time consuming tasks with installing a car stereo, car radio, car speakers, car amplifier, car navigation or any mobile electronics is identifying the correct wires for a […] Car stereo antenna trigger wire: Stereo install dash kit chevy tahoe 03 04 05 (car radio wiring installation p. 24 pin gmc 12110244, 12110088 (15306210) radio harness connector. The wiring diagram.ignition switch.oem.wiring harness.
Source: carwiringdiagrams.cc
2002 chevy tahoe factory amp wiring diagram 2002 chevy tahoe pertaining to 2004 chevrolet tahoe wiring diagram, image size 472 x 334 px, and to view image details please click the image. 02 chevy tahoe stereo wiring diagram. 2002 chevy tahoe factory amp wiring diagram 2002 chevy tahoe pertaining to 2004 chevrolet tahoe wiring diagram, image size 472 x 334 px, and to view image details please click the image. 2003 silverado radio wiring diagram. The wiring diagram lists one of the wires as needing to be connected to the �terminal controlled by the ignition switch (12v dc 5/5.
Source: schematicdiagram43.blogspot.com
The wiring diagram lists one of the wires as needing to be connected to the �terminal controlled by the ignition switch (12v dc)�. Wiring diagram 2003 chevy trailblazer wire diagram 2009 09 08 pertaining to 08 silverado tail light wiring diagram image source. 2007 chevy tahoe radio wiring diagram wiring diagram is a simplified suitable pictorial representation of an electrical circuit. Whether your an expert chevrolet tahoe mobile electronics installer, chevrolet tahoe fanatic, or a novice chevrolet tahoe enthusiast with a 2003 chevrolet tahoe, a car stereo wiring diagram can save yourself a lot of time. Label it or splice to constant wire on aftermarket stereo first.
 Source: wiringdiagramexamples.blogspot.com
Gmc sierra bose stereo wiring diagram. Automotive wiring in a 2003 chevrolet tahoe vehicles are becoming increasing more difficult to identify due to the installation of […] Chevrolet tahoe car radio audio stereo wiring diagram colors july 9, caraudiowiringdiagram 9 comments here is the stereo radio wiring information for your chevrolet tahoe with the standard, premium, symphony, or bose systems. Whether your an expert chevrolet tahoe mobile electronics installer, chevrolet tahoe fanatic, or a novice chevrolet tahoe enthusiast with a 2003 chevrolet tahoe, a car stereo wiring diagram can save yourself a lot of time. 2004 instrument panel fuse block the fuse block access door is on the driver’s side edge of the instrument panel.
Source: wiringdiagrams1.blogspot.com
A relatively new option has been to install an ipad in dash or center console. The wiring diagram lists one of the wires as needing to be connected to the �terminal controlled by the ignition switch (12v dc 5/5. At the car stereo harness (connector end view) ask a question. 2003 silverado radio wiring diagram. Don�t see anything on the chevy wiring diagram that has that listed on the oem stereo wiring harness.
Source: wiringdiagram81.blogspot.com
Here is a picture gallery about 2004 chevrolet tahoe wiring diagram complete with the description of the image, please find the image you need. Posted on dec 04, 2008. The wiring diagram lists one of the wires as needing to be connected to. Chevrolet tahoe car stereo wire colors, functions, and locations chevrolet tahoe stereo wiring. This video demonstrates the chevrolet silverado complete wiring diagrams and details of the wiring harness.
Source: wiringdiagram.2bitboer.com
0996b43f80231a12 for 1994 chevy silverado wiring diagram in 2021 1995 chevy silverado chevy 1500 chevy silverado. How to install car radio autoradio wiring harness stereo installation. If not, the arrangement won’t function as it ought to be. Silverado 2016 automobile pdf manual download. Chevrolet auto radio wiring diagrams install car radio.
Source: wiringall.com
Locate the +12 volt constant wire first. 2009 chevrolet tahoe stereo wiring diagram car radio battery constant 12v+ wire: View and download chevrolet 2003 tahoe owner�s manual online. The wiring diagram lists one of the wires as needing to be connected to the �terminal controlled by the ignition switch (12v dc)�. Chevrolet tahoe car radio audio stereo wiring diagram colors july 9, caraudiowiringdiagram 9 comments here is the stereo radio wiring information for your chevrolet tahoe with the standard, premium, symphony, or bose systems.
Source: wiringforums.com
The wiring diagram lists one of the wires as needing to be connected to the �terminal controlled by the ignition switch (12v dc 5/5. Stereo install dash kit chevy tahoe 03 04 05 (car radio wiring installation p. A relatively new option has been to install an ipad in dash or center console. Run a wire to the fuse box or ignition switch harness. 2003 chevy avalanche bose radio wiring diagram.
Source: skippingtheinbetween.blogspot.com
The wiring diagram lists one of the wires as needing to be connected to the �terminal controlled by the ignition switch (12v dc 5/5. 2021 chevrolet silverado 2500 hd. The time now is 804 pm. Here is a picture gallery about 2004 chevrolet tahoe wiring diagram complete with the description of the image, please find the image you need. Chevrolet cobalt 2005 radio c1 apr 04 2011 1995 full size chevy pu is on the right side top of the framerail even with where the pass door would line up.
Source: diagramquicken.efran.it
It really is intended to aid all the common consumer in developing a proper system. 2007 chevy tahoe radio wiring diagram wiring diagram is a simplified suitable pictorial representation of an electrical circuit. The wiring diagram lists one of the wires as needing to be connected to the �terminal controlled by the ignition switch (12v dc)�. Here is a picture gallery about 2004 chevrolet tahoe wiring diagram complete with the description of the image, please find the image you need. Car stereo amp trigger wire:
Source: ricardolevinsmorales.com
Gmc sierra bose stereo wiring diagram. 2001 silverado radio wiring harness chevy 2500hd in 2004 stereo, size: Car radio battery constant 12v+ wire: A relatively new option has been to install an ipad in dash or center console. Chevy factory radio wiring diagram.
Source: schematica71.blogspot.com
Posted on dec 04, 2008. Car radio install car wiring diagrams wiring harness pinout connector diagram. 05 toyota tundra stereo wiring diagram nov 29 2019 but the tahoe t16 might just have an answer to many peoples prayers and wishes. 2003 gm bus wiring communication diagram chevy tahoe The wiring diagram lists one of the wires as needing to be connected to the �terminal controlled by the ignition switch (12v dc)�.
This site is an open community for users to share their favorite wallpapers on the internet, all images or pictures in this website are for personal wallpaper use only, it is stricly prohibited to use this wallpaper for commercial purposes, if you are the author and find this image is shared without your permission, please kindly raise a DMCA report to Us.
If you find this site beneficial, please support us by sharing this posts to your favorite social media accounts like Facebook, Instagram and so on or you can also save this blog page with the title 04 chevy tahoe radio wiring diagram by using Ctrl + D for devices a laptop with a Windows operating system or Command + D for laptops with an Apple operating system. If you use a smartphone, you can also use the drawer menu of the browser you are using. Whether it’s a Windows, Mac, iOS or Android operating system, you will still be able to bookmark this website.




